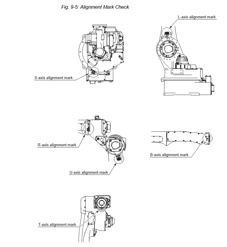
YRC1000 GP25-12 / YR-1-06VXH25-A11 ALIGNMENT MARK LOCATIONS March 05, 2026 21:33 Updated Related articles YRC1000 GP25-12 / YR-1-06VXH25-A10 ALIGNMENT MARK LOCATIONS Comments 0 comments Please sign in to leave a comment.
Comments
0 comments
Please sign in to leave a comment.