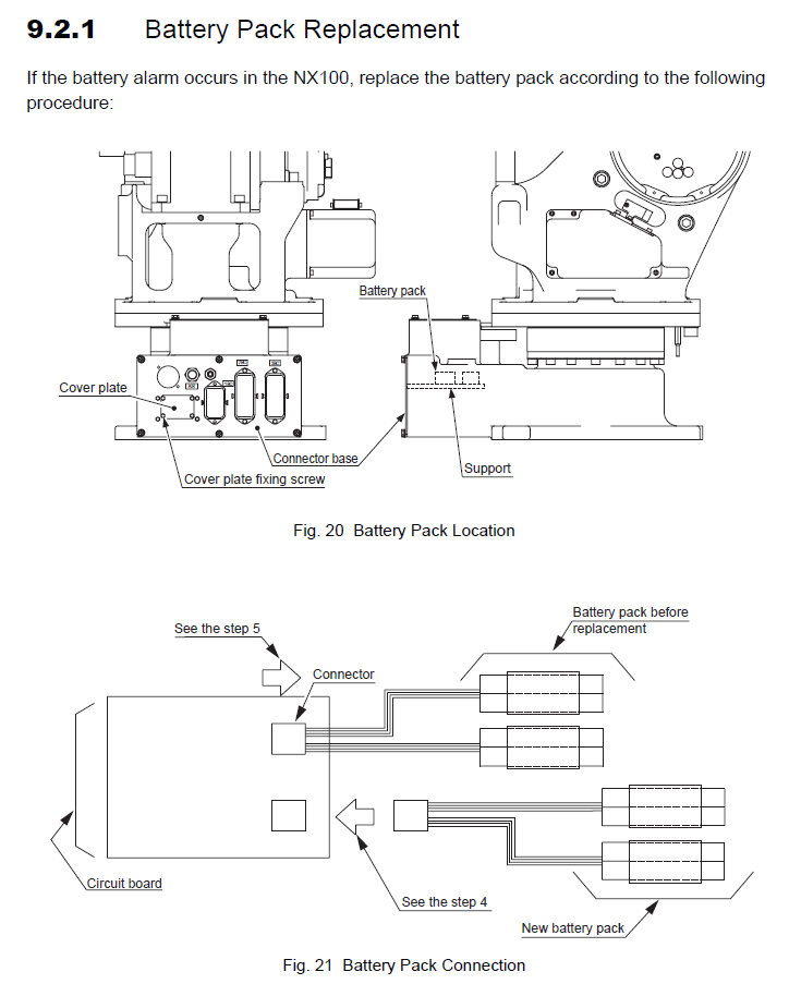
Battery Replacement EA1800N / YR-EA1800N-A01 Manipulator September 22, 2025 19:48 Updated Model Covered: YR-EA1800N-A01 Material Required:BATTERY SET, MANIP, NX100, W/CONN, 4 BATTERIES 149689-1 Related articles Grease Procedure (PM) EA1800N / YR-EA1800N-A00 Manipulator Battery Replacement EA1900N / YR-EA1900N-A00 Manipulator Comments 0 comments Please sign in to leave a comment.
Comments
0 comments
Please sign in to leave a comment.