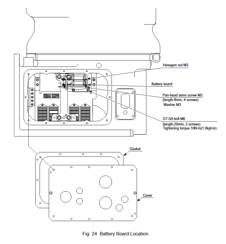
Battery Board Replacement EPX2800 / YR-EPX2800-A000 Manipulator September 30, 2025 14:43 Updated Model Covered: YR-EPX2800-A000 Material Required:BATTERY BOARD Quantity 2: JARCR-XIS01/146771-1 Related articles Battery Board Replacement EPX2800 / YR-EPX2800-A010 Manipulator Remote Operations with Yaskawa Motoman Robots Parts DX200 MPX2600 / YR-MPX2600-A00 Manipulator and Controller Battery Pack Replacement MPX3500 / YR-MPX3500-B00 Manipulator NX100 CONTROLLER BATTERY REPLACEMENT Comments 0 comments Please sign in to leave a comment.
Comments
0 comments
Please sign in to leave a comment.