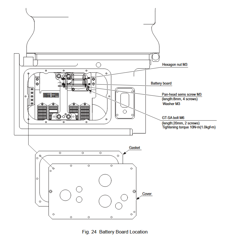
Battery Board Replacement EPX2800 / YR-EPX2800-A010 Manipulator September 30, 2025 14:46 Updated Model Covered: YR-EPX2800-A010 Material Required:BATTERY BOARD Quantity 2: JARCR-XIS01/146771-1 Related articles Battery Board Replacement EPX2800 / YR-EPX2800-A020 Manipulator NX100 ALARM CODE 1325 COMMUNICATION ERROR (ENCODER) How To Recalibrate The Pendant Touch Screen on NX100, DX100, DX200 Battery Replacement MPX2600 / YR-MPX2600-A00 Manipulator Battery Replacement ES165D / YR-ES0165D-A00 Manipulator Comments 0 comments Please sign in to leave a comment.
Comments
0 comments
Please sign in to leave a comment.