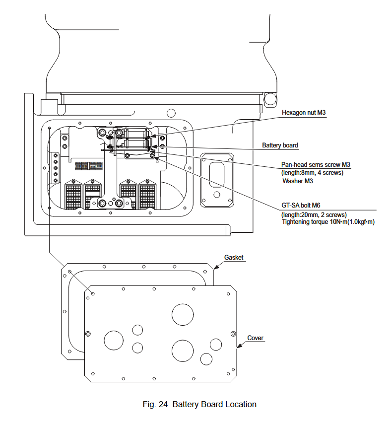
Battery Board Replacement EPX2800 / YR-EPX2800-A020 Manipulator September 30, 2025 15:02 Updated Model Covered: YR-EPX2800-A020 Material Required:BATTERY BOARD Quantity 2: JARCR-XIS01/146771-1 Related articles Battery Board Replacement EPX2800 / YR-EPX2800-A010 Manipulator Battery Board Replacement EPX2800 / YR-EPX2800-A000 Manipulator Comments 0 comments Please sign in to leave a comment.
Comments
0 comments
Please sign in to leave a comment.