Model Covered: YR-MPX3500-A03
Material Required:
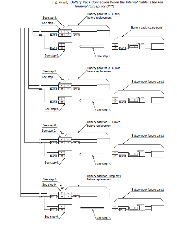
BATTERY, PACK, S AXIS ENCODER, (HW1471496-A with conversion cable) 196330-1
BATTERY, PACK, L/U AXIS ENCODER, (HW1471496-B with conversion cable) 196331-1
Battery pack (HW1471496-C with conversion cable)
Battery pack (HW1471496-D with conversion cable)
Comments
0 comments
Please sign in to leave a comment.