Model Covered: YR-MPX3500-B00
Material Required:
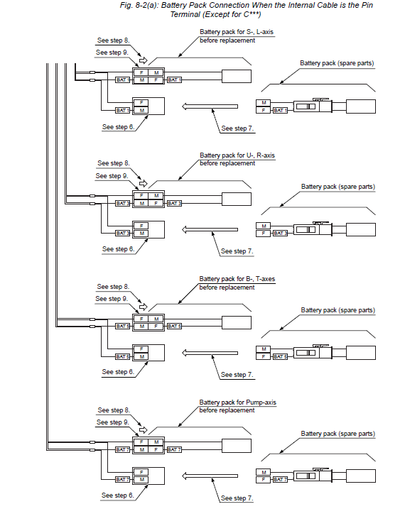
BATTERY, ASSY, For S,L-axes encoder (For B***) (HW1470715-BA with conversion cable) 191140-1
BATTERY, ASSY, For U,R-axes encoder (For B***) (HW1470715-BB with conversion cable) 191141-1
BATTERY, ASSY, For B,T-axes encoder (For B***) (HW1470715-BC with conversion cable) 191142-1
BATTERY, PUMP AXIS, FOR B**, WITH CONVERSION CABLE (HW1470715-BD with conversion cable) 192154-2
Comments
0 comments
Please sign in to leave a comment.