Model Covered: YR-MPX3500-C10
Material Required:
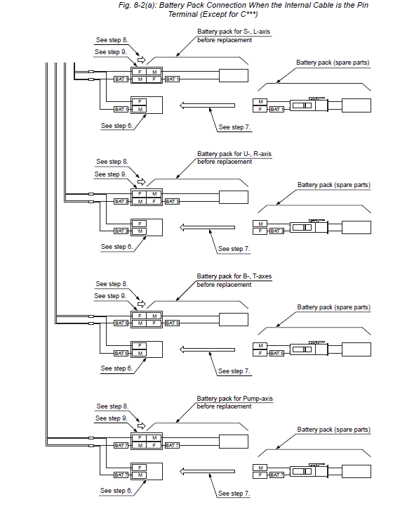
BATTERY, PACK, For S,L-axes encoder (For C***) (HW1373234-A with conversion cable) 192154-1
BATTERY, PACK, For U,R-axes encoder (For C***) (HW1373234-B with conversion cable) 192155-1
BATTERY, PACK, For B,T-axes encoder (For C***) (HW1373234-C with conversion cable) 192156-1
BATTERY PACK, For Pump-axis encoder (For C***) (HW1373234-D with conversion cable) 201225-1
Comments
0 comments
Please sign in to leave a comment.