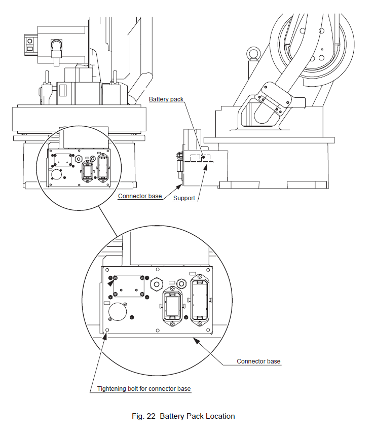
Battery Replacement EA1900N / YR-EA1900N-A11 Manipulator September 22, 2025 15:46 Updated Model Covered: YR-EA1900N-A11 Material Required:BATTERY SET, MANIP, NX100, W/CONN, 4 BATTERIES HW0470360-A/149689-1 Related articles Grease Procedure (PM) EA1900N / YR-EA1900N-A00 Manipulator DX100 CONTROLLER BATTERY REPLACEMENT Grease Procedure (PM) EA1900N / YR-EA1900N-A01 Manipulator Battery Replacement EA1900N / YR-EA1900N-A00 Manipulator Comments 0 comments Please sign in to leave a comment.
Comments
0 comments
Please sign in to leave a comment.