Introduction
This article explains how to use external I/O from the YRC1000 to enable hand guiding and select a jogging mode for hand guiding, without the need to use the EASY Pendant App on the Standard Pendant, by using an LED momentary button & selector switch.
Overview
For users using a Standard Pendant, hand guiding can be enabled by using the EASY Pendant App. There the user can also select a jogging mode for hand guiding.
Figure 1: The EASY Pendant App on the Standard Pendant.
The EASY Pendant App can be found in the bottom right corner of the Standard Pendant. There the user can enable hand guiding by pressing the toggle switch to ON, and the user can select the jogging mode by pressing the “MODE” button on the right to the corresponding jogging mode. There are 4 different jogging modes for hand guiding, which are JOINT, XYZ+TOOL, RBT, and ROTATE.
This article will cover how to tie the LED momentary button to enable hand guiding externally and the selector switch to select between JOINT, XYZ+TOOL, and ROTATE jogging modes. To accomplish this, a couple of rungs in the Concurrent I/O will need to be modified that pertain to the default settings of enabling hand guiding and selecting a jogging mode through the EASY Pendant App. Additional rungs will need to be added to latch the input signal to enable hand guiding. This article will show how the LED momentary button and selector switch were connected to the YRC1000 via CN309 breakout card.
Depending on the user’s setup, it being a YRC1000 or YRC1000micro controller, an NPN or PNP General Purpose I/O (GPIO) board, available I/O, and/or available memory in the Concurrent I/O, the configuration may differ from the example shown in this article. However, the underlying logic and approach remains the same.
Setup
Hardware
A simple enclosure was designed & 3D printed to secure the LED momentary button & selector switch and to run wires inside the enclosure to wire the devices.
Figure 2: The enclosure is used to enable hand guiding and select a jogging mode, both externally.
The momentary button used is GCX1202-24L by AutomationDirect. The selector switch is XB2-20X-31 by APIELE.
Wiring
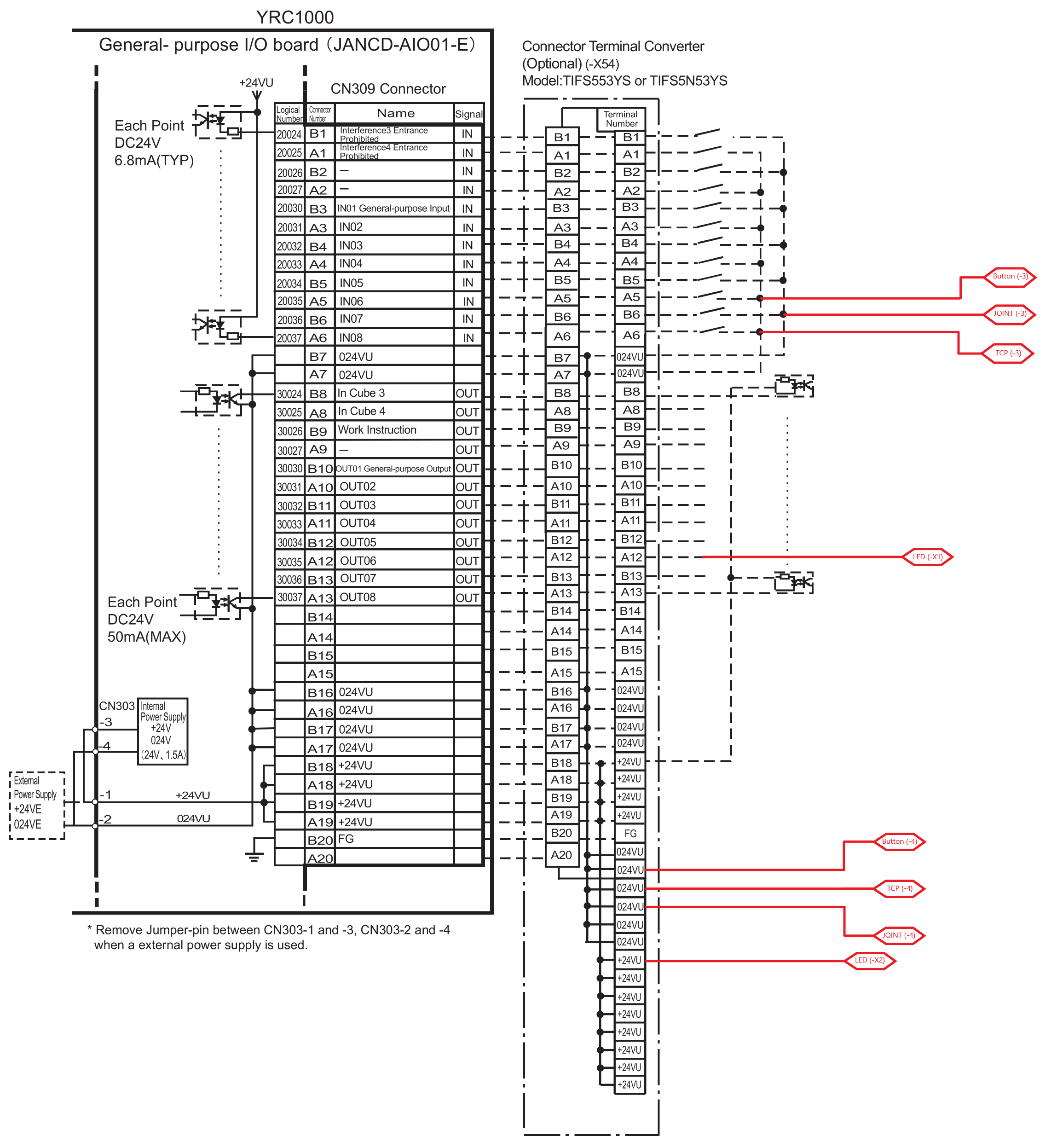
The LED momentary button & selector switch were connected to CN309 breakout card as shown below:
Figure 3: Breakout card CN390 on a YRC1000, showing how the selector switch and LED momentary button were wired.
Ladder Program – Concurrent I/O
As mentioned in the Overview section, several rungs will need to be modified, and other rungs added to get the selector switch and LED momentary button to function. To start, here’s a list of all the signals that will be added/modified to the Concurrent I/O.
Table 1: List of signals that will be added or modified in the Concurrent I/O.
Below are the rungs that were modified in the Concurrent I/O, using the Ladder Program.
Figure 4: The External & General-Purpose Output Group rung being split into individual rungs. Auxiliary Relay #75000 was added to trigger the LED output #30035.
Figure 5: The default rung that enables Hand Guiding through the EASY Pendant App. Auxiliary Relay #75000 is added to the rung to also enable Hand Guiding.
Figure 6: The default rungs that lets the user select “JOINT” or “XYZ + Tool” jogging mode for Hand Guiding through the EASY Pendant App. These 2 rungs are modified to tie the selector switch, with additional logic.
Figure 7: The default rung that lets the user select “ROTATE” jogging mode for Hand Guiding through the EASY Pendant App. This rung is modified to tie the selector switch, with additional logic.
Now at the end of the Concurrent I/O, 2 additional rungs are added to latch the momentary button.
Figure 8: The momentary button is latched in these 2 rungs.
Once the rungs are modified, rungs are added, and Concurrent I/O compiled, the user can enable hand guiding externally by pressing the momentary button and selecting a jogging mode.
Figure 9: Enclosure enabling Hand Guiding using external signals.
Conclusion
Enabling hand guiding and selecting a jogging mode can be achieved through external signals. The Concurrent I/O was modified to latch the momentary button, and additional logic was added for the selector switch and momentary button to work properly.
Additional logic was necessary to prevent the external signals from interfering with the EASY Pendant App, when enabling hand guiding. The logic is set that if the user enables hand guiding, using the EASY Pendant App, the app will take precedence. Once the “Turn Hand Guiding On/Off” toggle switch is turned OFF, in the EASY Pendant App, the user can press the momentary button to enable hand guiding externally. These modifications made to the Concurrent I/O are applicable to the Smart Pendant, when enabling hand guiding using the User Interface of the Smart Pendant, the Smart Pendant will take precedence over the external signals.
The momentary button GCX1202-24L max current is 26mA @ 24VDC. The max current for the outputs found in CN309 are 50mA. If a different device is used as a momentary button or toggle switch, verify that the device does not exceed the max current of the outputs of the YRC1000 or YRC1000micro. Failing to do so may result in electric shock, personal injury, and/or equipment failure.
For additional information, reference the following manuals:
- YRC1000 OPTIONS INSTRUCTIONS FOR CONCURRENT I/O (178648-1CD)
- Section 9 – IO List of YRC1000/YRC1000micro Collaborative Operation Instructions (181437-1CD)
- Section 14.10 – Robot General-Purpose I/O Signal Assignment of YRC1000 INSTRUCTIONS (178642-1CD)
Enabling hand guiding externally may be a good fit for users that are using the Standard Pendant and do not necessarily want to use the EASY Pendant App. Before setting up external signals to enable hand guiding and selecting a jogging mode, perform a comprehensive risk assessment to ensure that all applicable regulations, industry standards, and manufacturer specifications are met.
Comments
0 comments
Please sign in to leave a comment.